| Status de disponibilidade: | |
|---|---|
| Quantidade: | |

Este produto é o principal componente de acionamento em sistemas transportadores de rolos motorizados. É um módulo funcional que integra uma roda dentada de aço com a extremidade do eixo de um rolo transportador de maneira altamente resistente e precisa. Sua principal função é converter de forma eficiente e confiável a energia transmitida pela corrente de transmissão no movimento rotacional do rolo, acionando assim a correia transportadora ou impulsionando diretamente os materiais.

Com o uso de um processo de soldagem de roda dentada e tubo de aço, os rolos agora podem transmitir mais torque e transportar paletes com cargas pesadas. Uma unidade de rolamento de esferas de precisão pode suportar mais peso do que uma unidade de rolamento de polímero porque é fixada de maneira firme e robusta por impacto em uma caixa de aço.
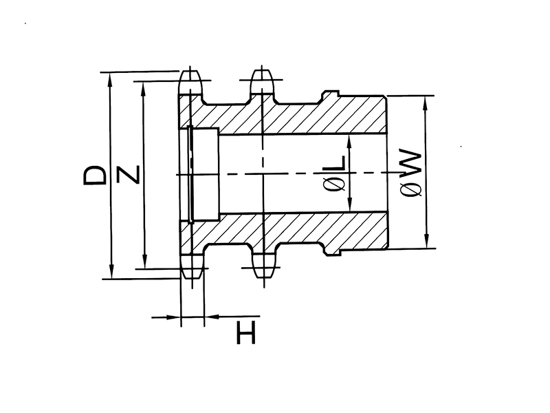
| diâmetro de saída do tubo | espessura do tubo | diâmetro do eixo | modelo de roda dentada | materiais | tratamento de superfície |
| Φ38 | 1,2/1,5/2,0 | Φ12/Φ15 | 06B/08B | Aço #45, SS304 | endurecimento, oxidação |
| Φ50 | 1,2/1,5/2,0 | Φ12/Φ15 | 06B/08B | Aço #45, SS304 | endurecimento, oxidação |
| Φ60 | 1,5/2,0/2,5/3,0 | Φ12/Φ15/Φ20 | 08B | Aço #45, SS304 | endurecimento, oxidação |
| Φ76 | 2,0/2,5/3,0/3,5 | Φ12/Φ15/Φ20/Φ25 | 08B/10A | Aço #45, SS304 | endurecimento, oxidação |
| Φ89 | 3,0/3,5/4,0 | Φ12/Φ15/Φ20/Φ25 | 10A | Aço #45, SS304 | endurecimento, oxidação |
Notas: está disponível montagem de roda dentada de uma ou duas carreiras.
Este conjunto é uma unidade de conexão padronizada ou personalizada projetada especificamente para aplicações de transporte industrial. Sua estrutura típica inclui:
Roda dentada de aço: O principal componente característico da montagem. Normalmente é feito de aço carbono ou aço-liga de alta qualidade (por exemplo, aço 45#, 40Cr) por meio de forjamento e usinagem. O perfil do dente é calculado com precisão (por exemplo, em conformidade com os padrões ANSI ou ISO) e passa por tratamento térmico (têmpera e revenido), conferindo à superfície do dente alta dureza (HRC 40-55) e excelente resistência ao desgaste e ao impacto.
Extremidade de conexão do rolo: Dependendo do projeto da extremidade do eixo do rolo, os principais métodos de conexão incluem:
Conexão Chave: O método mais tradicional e confiável. Um rasgo de chaveta é usinado no cubo da roda dentada e o torque é transmitido por meio de uma chaveta paralela ou chaveta Woodruff engatada em um rasgo de chaveta correspondente no eixo do rolo. Parafusos de fixação são frequentemente usados para fixação axial adicional.
Conexão Taper-Lock (Bushing): Um método de conexão mais moderno e sem chave. O cubo da roda dentada possui um furo cônico que combina com uma bucha elástica de cone duplo. Apertar parafusos de alta resistência faz com que a bucha se expanda radialmente, criando um imenso atrito estático entre o cubo da roda dentada e o eixo do rolo. Isso proporciona uma conexão de alto torque, alta concentricidade e sem folga e pode compensar pequenas tolerâncias de usinagem.
Conexão do flange: Para aplicações pesadas, a roda dentada pode ser aparafusada diretamente em um flange de acionamento soldado à face final do rolo.
Projeto Integrado: Em alguns projetos, a roda dentada é integrada à caixa do rolamento, à estrutura de vedação ou até mesmo a uma tampa completa da extremidade do rolete, formando um "conjunto da extremidade de acionamento" mais facilmente instalável e de fácil manutenção.

Transmissão de potência eficiente: A roda dentada de aço engrena firmemente com a corrente de transmissão (por exemplo, corrente de rolos), garantindo alta eficiência de transmissão e perda mínima de energia.
Alta capacidade de carga e confiabilidade: O material de aço e o processo de tratamento térmico garantem que a montagem possa suportar as cargas de choque e cargas alternadas contínuas causadas pelos ciclos de partida-parada do sistema e variações de carga. Sua confiabilidade é muito superior à das rodas dentadas de plástico ou ferro fundido.
Sincronização precisa: A usinagem precisa do perfil do dente e os métodos de conexão robustos garantem a sincronização entre vários rolos, o que é crucial para evitar o desalinhamento do material e garantir a operação suave da linha transportadora.
Forte adaptabilidade ambiental: Os componentes de aço geralmente apresentam tratamentos anticorrosivos (galvanização, escurecimento, pintura), permitindo-lhes resistir a fatores ambientais comuns de fábrica, como poeira, umidade e condições corrosivas moderadas.
Longa vida útil e fácil manutenção: Excelente resistência ao desgaste prolonga significativamente o ciclo de substituição. O design modular permite a substituição apenas da roda dentada quando desgastada, sem a necessidade de substituir todo o rolo.
Este conjunto é um componente fundamental em todos os equipamentos de transporte que utilizam transmissão por corrente e é amplamente utilizado em:
Transportadores de rolos motorizados: Para transporte de paletes, contêineres e pacotes pesados.
Transportadores de corrente de ripas/superior: Como o conjunto da roda dentada na extremidade do eixo de transmissão.
Sistemas transportadores de corrente suspensos: Como conjunto de roda dentada de acionamento da corrente.
Dispositivos de transporte de máquinas agrícolas e de construção: como mecanismos de transporte interno em colheitadeiras e escavadeiras.
Linhas de embalagem e classificação: Seções que exigem unidades estáveis, confiáveis e com velocidade ajustável.

Transmissão de energia confiável: O material de aço e os processos de reforço garantem confiabilidade absoluta na transmissão de energia.
Forte capacidade de carga: Adequado para operação industrial contínua de serviço médio a pesado.
Sincronização precisa: Garante a ação sincronizada de vários pontos de acionamento na linha transportadora.
Durabilidade de longa duração: O design de alta resistência ao desgaste reduz os custos de manutenção do ciclo de vida.
Compatibilidade flexível: pode ser selecionado e personalizado de forma flexível com base no diâmetro do eixo do rolo, tamanho da corrente (por exemplo, 08B, 10A, 12A) e número de dentes.
Ao selecionar, deve ser compatível com o rolo transportador e o sistema de acionamento. Os principais parâmetros incluem:
Parâmetros da roda dentada: Tamanho da corrente (determina o passo), Número de dentes (afeta a taxa de velocidade e a suavidade da malha), Modelo (fio simples/fio duplo/serviço pesado).
Parâmetros de conexão: Diâmetro do furo (deve corresponder ao diâmetro do eixo do rolo), Dimensões da chaveta ou Especificação da bucha.
Parâmetros de desempenho: Torque permitido, faixa de velocidade aplicável.
Requisitos de instalação: Garanta o alinhamento adequado entre a roda dentada e o eixo do rolo. Aperte todos os fixadores (chave, parafusos da bucha, parafusos de fixação) com o torque especificado. Certifique-se de que os dentes da roda dentada e a corrente de transmissão estejam no mesmo plano para evitar “subida da corrente” ou desgaste anormal.
Em resumo, o conjunto de roda dentada de aço do rolo transportador é a "junta de força" do campo de transporte industrial. Representa uma integração projetada de uma roda dentada de transmissão padrão com um eixo de rolete. Com suas características robustas, duráveis e confiáveis, é um componente mecânico fundamental indispensável que garante a operação contínua e eficiente de diversas linhas de produção e logística.