| Status de disponibilidade: | |
|---|---|
| Quantidade: | |
RONWIN
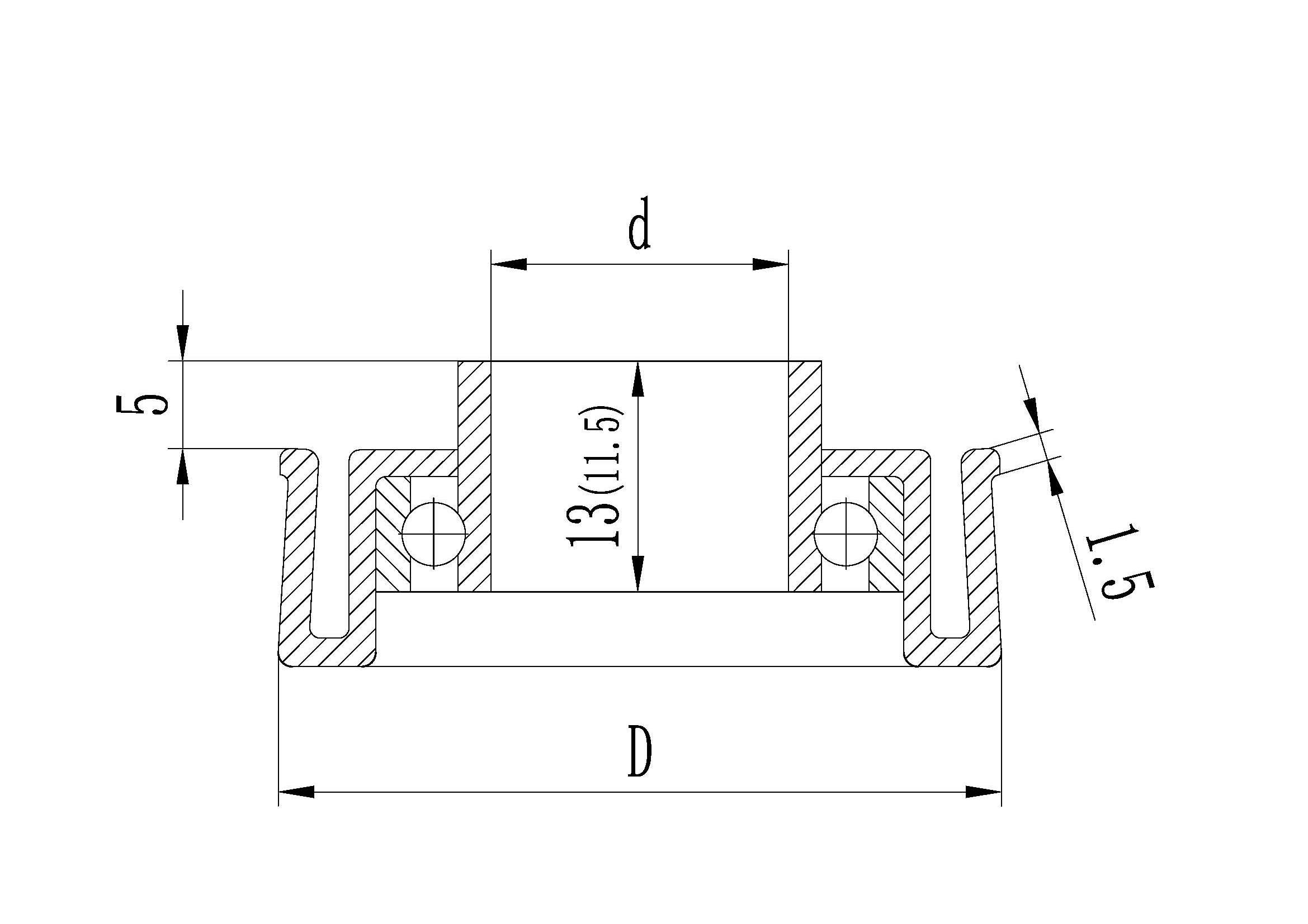
Este produto é um conjunto de rolamento composto altamente projetado. Seu principal conceito de projeto é combinar as vantagens de dois tipos diferentes de rolamentos (rolamentos de rolos e rolamentos de esferas) em uma unidade compacta. Ele foi projetado para atender aos exigentes cenários de aplicação que exigem uma combinação abrangente de alta capacidade de carga radial, capacidade de carga axial moderada, alta rigidez e rotação precisa.
A tabela de especificações abaixo detalha a espessura da parede do tubo do rolo e do eixo correspondente.
| diâmetro de saída do tubo (mm) | espessura da parede do tubo (mm) | diâmetro do eixo (mm) | materiais |
| Φ25 | 1,0/1,2 | Φ8 | aço carbono, aço inoxidável |
| Φ32 | 1,0/1,2 | Φ8 | aço carbono, aço inoxidável |
| Φ38 | 1,2/1,5/2,0 | Φ12 | aço carbono, aço inoxidável |
| Φ42 | 1,2/1,5/2,0 | Φ12 | aço carbono, aço inoxidável |

Rolos de aço com diâmetros de 25m, 32mm, 38mm e 42mm podem usar este tipo de conjunto de rolamento de aço. A carcaça do rolamento carimbado, a tampa final e o rolamento de esferas de precisão completam o conjunto do rolamento.
Este “conjunto” não é um rolamento único padronizado, mas um módulo funcional integrado. Sua estrutura típica geralmente consiste em:
Camada externa/corpo principal: Uma unidade de rolamento de rolos cilíndricos. É composto por anéis externos e internos de aço temperado com rolos cilíndricos entre eles. Este é o principal componente para lidar com cargas radiais (direção vertical). O design de contato de linha dos rolos proporciona rigidez radial e capacidade de carga extremamente altas.
Camada interna/seção integrada: Uma unidade de rolamento rígido de esferas de precisão. Normalmente, o anel interno do rolamento de rolos é especialmente projetado para integrar um rolamento rígido de esferas de precisão internamente ou em sua face final. Este rolamento de esferas é responsável por lidar com cargas axiais (direção horizontal) e parte da carga radial restante, garantindo rotação suave e baixo torque de partida para todo o conjunto.
Carcaça/montagem integrada: Todo o conjunto do rolamento é geralmente encapsulado dentro de uma carcaça de aço robusta (como um bloco de flange quadrado, bloco de flange redondo ou mancal). Esta carcaça fornece uma referência de montagem precisa, funcionalidade de pré-alinhamento e facilita a instalação e fixação geral na estrutura da máquina.

Elementos rolantes:
Rolos: Fabricados em aço para rolamentos com alto teor de carbono e cromo (por exemplo, GCr15), retificados com precisão para tolerâncias dimensionais extremamente rígidas e alto acabamento superficial, garantindo distribuição uniforme da carga.
Esferas: Da mesma forma, feitas de esferas de aço de rolamento de alta precisão, normalmente atendendo aos graus ABEC-3/5/7 ou superiores, garantindo operação em alta velocidade, baixo atrito e trajetórias de corrida precisas.
Anéis e gaiola:
Os anéis interno e externo são feitos de aço para rolamentos e passam por tratamento térmico (têmpera e revenido) para atingir alta dureza e resistência ao desgaste.
A gaiola (que separa os corpos rolantes) pode ser feita de aço estampado ou plástico de engenharia de alta resistência (por exemplo, PEEK, náilon) para guiar os corpos rolantes em altas velocidades e reduzir o atrito.
Vedações: O conjunto normalmente é equipado com vedações múltiplas eficientes (como vedações de borracha de contato, vedações de labirinto) para evitar a entrada de contaminantes externos (poeira, detritos, líquidos) e reter a graxa lubrificante interna, prolongando a vida útil.

Capacidade de carga radial excepcionalmente alta: O projeto do rolamento de rolos cilíndricos permite suportar cargas radiais muito pesadas, superando em muito a capacidade de um único rolamento rígido de esferas.
Capacidade de carga combinada: Ele pode suportar impulsos axiais significativos de ambas as direções por meio do rolamento de esferas de precisão integrado e, ao mesmo tempo, suportar cargas radiais maciças. Isso oferece uma solução mais abrangente e compacta em comparação ao uso apenas de rolamentos de rolos (normalmente fracos em capacidade axial) ou rolamentos de esferas de contato angular emparelhados (relativamente mais fracos em capacidade radial).
Alta rigidez e precisão: O rolamento de rolos oferece excelente rigidez, resistindo efetivamente à deformação por flexão causada por cargas pesadas. O rolamento de esferas integrado de alta precisão garante que todo o sistema de eixo rotativo tenha desvio mínimo e oscilação operacional.
Instalação fácil e pré-ajustada: Por ser um componente pré-ajustado, pré-lubrificado e pré-selado antes de sair da fábrica, os usuários podem instalá-lo sem alinhamento ou ajustes complexos. Ele funciona como um módulo "plug-and-play", simplificando bastante o processo de montagem e melhorando a precisão e a confiabilidade geral da montagem da máquina.
Este conjunto de rolamento foi projetado especificamente para equipamentos que exigem cargas pesadas, precisão e estrutura compacta. As aplicações típicas incluem:
Máquinas-ferramenta de alta precisão: Suporte traseiro de fuso em tornos CNC e centros de usinagem, suporte de extremidade fixa para fusos de esferas para serviços pesados.
Robôs Industriais: Locais de juntas de robôs, especialmente eixos rotativos importantes, como braços e bases grandes, que precisam suportar simultaneamente momentos de flexão (forças radiais) e forças de impulso.
Sistemas de acionamento profissionais: Eixos de saída de grandes caixas de engrenagens, caixas de rolamentos em máquinas de impressão, rolos-guia em equipamentos de laminação.
Dispositivos rotativos de precisão: antenas de radar, componentes rotativos de tomógrafos médicos, plataformas giratórias para grandes instrumentos ópticos.

Integração Funcional: Resolve os requisitos de suporte para cargas radiais pesadas e cargas axiais bidirecionais em uma única unidade.
Economia de Espaço: O conjunto integrado possui estrutura mais compacta em comparação às soluções que utilizam dois rolamentos separados, economizando valioso espaço interno no equipamento.
Melhoria de desempenho: Alta rigidez e precisão melhoram diretamente a precisão da usinagem, estabilidade de movimento e resposta dinâmica do equipamento hospedeiro.
Projeto e manutenção simplificados: Reduz o número de peças, simplifica o projeto mecânico e geralmente apresenta lubrificação de longa duração, ampliando os intervalos de manutenção.
Fatores-chave a serem observados durante a seleção:
Classificações de carga dinâmica/estática: Capacidades de carga radial e axial.
Grau de precisão: A precisão do rolamento de esferas (por exemplo, grau ABEC) e a precisão rotacional de todo o conjunto.
Velocidade Permissível: O limite máximo de velocidade considerando as características combinadas dos rolamentos de rolos e de esferas.
Interface de montagem: Tipo de carcaça (flange, bloco, etc.) e dimensões.
Lubrificação e vedações: se o tipo de graxa pré-preenchida e a classificação da vedação (classificação IP) atendem aos requisitos de condição operacional.
Em resumo, o conjunto de rolamento de aço com rolo integrado com rolamento de esferas de precisão é um componente funcional avançado usado em campos de máquinas de alta tecnologia, serviços pesados e de precisão. Através do seu inovador design composto "rolo + esfera", combina perfeitamente capacidade de carga, rigidez e precisão rotacional. É um dos principais componentes fundamentais que permite movimentos confiáveis e precisos em equipamentos modernos de alto desempenho.
Este produto é um conjunto de rolamento composto altamente projetado. Seu principal conceito de projeto é combinar as vantagens de dois tipos diferentes de rolamentos (rolamentos de rolos e rolamentos de esferas) em uma unidade compacta. Ele foi projetado para atender aos exigentes cenários de aplicação que exigem uma combinação abrangente de alta capacidade de carga radial, capacidade de carga axial moderada, alta rigidez e rotação precisa.
A tabela de especificações abaixo detalha a espessura da parede do tubo do rolo e do eixo correspondente.
| diâmetro de saída do tubo (mm) | espessura da parede do tubo (mm) | diâmetro do eixo (mm) | materiais |
| Φ25 | 1,0/1,2 | Φ8 | aço carbono, aço inoxidável |
| Φ32 | 1,0/1,2 | Φ8 | aço carbono, aço inoxidável |
| Φ38 | 1,2/1,5/2,0 | Φ12 | aço carbono, aço inoxidável |
| Φ42 | 1,2/1,5/2,0 | Φ12 | aço carbono, aço inoxidável |

Rolos de aço com diâmetros de 25m, 32mm, 38mm e 42mm podem usar este tipo de conjunto de rolamento de aço. A carcaça do rolamento carimbado, a tampa final e o rolamento de esferas de precisão completam o conjunto do rolamento.
Este “conjunto” não é um rolamento único padronizado, mas um módulo funcional integrado. Sua estrutura típica geralmente consiste em:
Camada externa/corpo principal: Uma unidade de rolamento de rolos cilíndricos. É composto por anéis externos e internos de aço temperado com rolos cilíndricos entre eles. Este é o principal componente para lidar com cargas radiais (direção vertical). O design de contato de linha dos rolos proporciona rigidez radial e capacidade de carga extremamente altas.
Camada interna/seção integrada: Uma unidade de rolamento rígido de esferas de precisão. Normalmente, o anel interno do rolamento de rolos é especialmente projetado para integrar um rolamento rígido de esferas de precisão internamente ou em sua face final. Este rolamento de esferas é responsável por lidar com cargas axiais (direção horizontal) e parte da carga radial restante, garantindo rotação suave e baixo torque de partida para todo o conjunto.
Carcaça/montagem integrada: Todo o conjunto do rolamento é geralmente encapsulado dentro de uma carcaça de aço robusta (como um bloco de flange quadrado, bloco de flange redondo ou mancal). Esta carcaça fornece uma referência de montagem precisa, funcionalidade de pré-alinhamento e facilita a instalação e fixação geral na estrutura da máquina.

Elementos rolantes:
Rolos: Fabricados em aço para rolamentos com alto teor de carbono e cromo (por exemplo, GCr15), retificados com precisão para tolerâncias dimensionais extremamente rígidas e alto acabamento superficial, garantindo distribuição uniforme da carga.
Esferas: Da mesma forma, feitas de esferas de aço de rolamento de alta precisão, normalmente atendendo aos graus ABEC-3/5/7 ou superiores, garantindo operação em alta velocidade, baixo atrito e trajetórias de corrida precisas.
Anéis e gaiola:
Os anéis interno e externo são feitos de aço para rolamentos e passam por tratamento térmico (têmpera e revenido) para atingir alta dureza e resistência ao desgaste.
A gaiola (que separa os corpos rolantes) pode ser feita de aço estampado ou plástico de engenharia de alta resistência (por exemplo, PEEK, náilon) para guiar os corpos rolantes em altas velocidades e reduzir o atrito.
Vedações: O conjunto normalmente é equipado com vedações múltiplas eficientes (como vedações de borracha de contato, vedações de labirinto) para evitar a entrada de contaminantes externos (poeira, detritos, líquidos) e reter a graxa lubrificante interna, prolongando a vida útil.

Capacidade de carga radial excepcionalmente alta: O projeto do rolamento de rolos cilíndricos permite suportar cargas radiais muito pesadas, superando em muito a capacidade de um único rolamento rígido de esferas.
Capacidade de carga combinada: Ele pode suportar impulsos axiais significativos de ambas as direções por meio do rolamento de esferas de precisão integrado e, ao mesmo tempo, suportar cargas radiais maciças. Isso oferece uma solução mais abrangente e compacta em comparação ao uso apenas de rolamentos de rolos (normalmente fracos em capacidade axial) ou rolamentos de esferas de contato angular emparelhados (relativamente mais fracos em capacidade radial).
Alta rigidez e precisão: O rolamento de rolos oferece excelente rigidez, resistindo efetivamente à deformação por flexão causada por cargas pesadas. O rolamento de esferas integrado de alta precisão garante que todo o sistema de eixo rotativo tenha desvio mínimo e oscilação operacional.
Instalação fácil e pré-ajustada: Por ser um componente pré-ajustado, pré-lubrificado e pré-selado antes de sair da fábrica, os usuários podem instalá-lo sem alinhamento ou ajustes complexos. Ele funciona como um módulo "plug-and-play", simplificando bastante o processo de montagem e melhorando a precisão e a confiabilidade geral da montagem da máquina.
Este conjunto de rolamento foi projetado especificamente para equipamentos que exigem cargas pesadas, precisão e estrutura compacta. As aplicações típicas incluem:
Máquinas-ferramenta de alta precisão: Suporte traseiro de fuso em tornos CNC e centros de usinagem, suporte de extremidade fixa para fusos de esferas para serviços pesados.
Robôs Industriais: Locais de juntas de robôs, especialmente eixos rotativos importantes, como braços e bases grandes, que precisam suportar simultaneamente momentos de flexão (forças radiais) e forças de impulso.
Sistemas de acionamento profissionais: Eixos de saída de grandes caixas de engrenagens, caixas de rolamentos em máquinas de impressão, rolos-guia em equipamentos de laminação.
Dispositivos rotativos de precisão: antenas de radar, componentes rotativos de tomógrafos médicos, plataformas giratórias para grandes instrumentos ópticos.

Integração Funcional: Resolve os requisitos de suporte para cargas radiais pesadas e cargas axiais bidirecionais em uma única unidade.
Economia de Espaço: O conjunto integrado possui estrutura mais compacta em comparação às soluções que utilizam dois rolamentos separados, economizando valioso espaço interno no equipamento.
Melhoria de desempenho: Alta rigidez e precisão melhoram diretamente a precisão da usinagem, estabilidade de movimento e resposta dinâmica do equipamento hospedeiro.
Projeto e manutenção simplificados: Reduz o número de peças, simplifica o projeto mecânico e geralmente apresenta lubrificação de longa duração, ampliando os intervalos de manutenção.
Fatores-chave a serem observados durante a seleção:
Classificações de carga dinâmica/estática: Capacidades de carga radial e axial.
Grau de precisão: A precisão do rolamento de esferas (por exemplo, grau ABEC) e a precisão rotacional de todo o conjunto.
Velocidade Permissível: O limite máximo de velocidade considerando as características combinadas dos rolamentos de rolos e de esferas.
Interface de montagem: Tipo de carcaça (flange, bloco, etc.) e dimensões.
Lubrificação e vedações: se o tipo de graxa pré-preenchida e a classificação da vedação (classificação IP) atendem aos requisitos de condição operacional.
Em resumo, o conjunto de rolamento de aço com rolo integrado com rolamento de esferas de precisão é um componente funcional avançado usado em campos de máquinas de alta tecnologia, serviços pesados e de precisão. Através do seu inovador design composto "rolo + esfera", combina perfeitamente capacidade de carga, rigidez e precisão rotacional. É um dos principais componentes fundamentais que permite movimentos confiáveis e precisos em equipamentos modernos de alto desempenho.